RL7121(RA7121)滾輪杠桿型
產品特點
1、長壽命
采用高效率的彈簧結構設計,機械壽命為1000萬次以上。
2、機械強度高、小巧、輕便
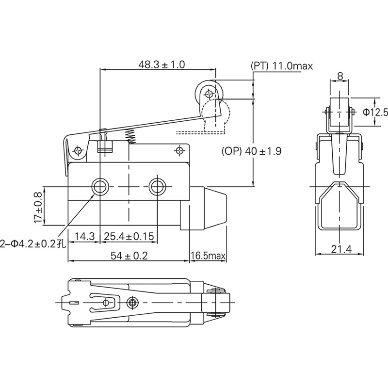
安裝孔間距為25.4mm,與RZ型微動開關相同。
外殼采用有良好機械特性的塑膠材料制成,能耐受較大的沖擊。
3、防塵和耐油的結構設計
◎開關主體用被壓縮的橡膠圈進行密封,可保持IP64的密封等級。
◎可定制端子部分用環氧樹脂進行密封的產品,但引出導線要先選定。
4、對于較大的超行程有良好的緩沖、減震作用。
5、已通過CCC認證。
◆用途
食品機械、自動包裝機、機床設備、輸送機械、自動生產線控制、對防護要求嚴格的輕工業機械等。
下一篇:RL7124單方向動作滾輪杠桿型上一篇:RL7120杠桿型
德沃電子Dewo electronic technology
聯系德沃
全國服務咨詢熱線:0769 - 81732018
聯系人 : 王松山
手機 :13829297477
傳真 : 0769-81732225
郵箱 : sales@dgdewo.com
地址 : 東莞市石碣鎮桔洲第三工業區銘華路23號





